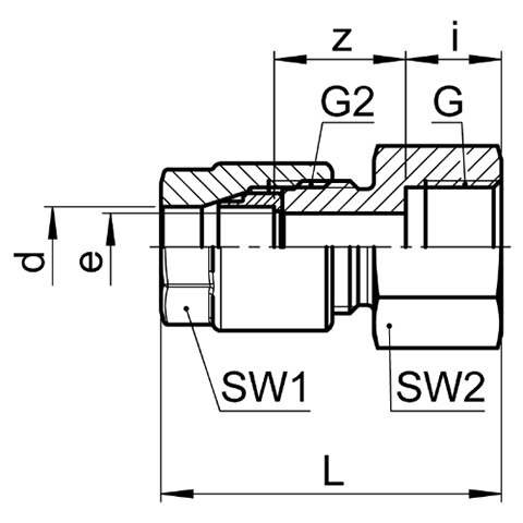
Serto内螺纹插座有PVDF、不锈钢、铜镀镍或黄铜材料,用来减少或者连接现有的接口。

WE ENGINEER FROM SOURCE TO PROCESS
北京市通州区中关村科技园区通州园 金桥科技产业基地环科中路2号院30号楼101 邮编: 101102
info@teesing.com.cn
+86 (10) 56865822 / 56865835
金桥科技产业基地环科中路2号院30号楼101
101102 北京
中国
+86 (10) 56865822
info@teesing.com.cn